首页部门介绍办事指南业务流程规章制度下载专区
  国有资产管理网络平台
 
  友情链接
     工作动态
当前位置: 首页>>工作动态>>正文

   

关于学校报废资产出校门的管理规定

 

学校保卫处:

有效防止学校国有资产流失,避免学校报废回收的仪器设备、家具、大宗物资、建筑材料等资产违规出校,根据辽宁大学资产管理及校园安全管理相关规定,现对学校报废的资产出管理出以下要求,请贵单位配合遵照执行:

一、严控出校凭证

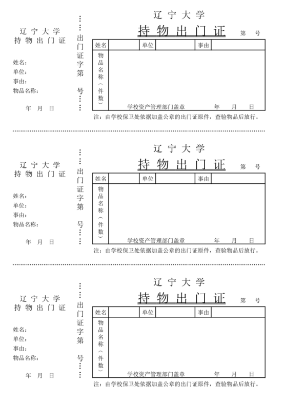
所有报废的固定资产(仪器设备、家具、大宗物资、建筑材料等)离开校园,必须持有资产管理处(招标采购办公室)开具并加盖公章的《辽宁大学持物出门证》(以下简称《出门证》见附件)。此单据为资产出校的唯一凭证,其他学院处等开具的出校材料均属于无效凭证,一律禁止放行。

二、规范出校凭证查验

查验《出门证》时,门卫值班人员需确保证物相符,对不符合下述要求的,一律禁止放行:

1.基本信息:核对出门证上物品名称、数量清运车辆车牌号等关键信息是否与出校实物一致。

2.凭证有效性:确认出门证为加盖清晰公章的原件,落款日期为放行当天。

3.其他情况:若发现上述情况外的其他可疑情况,需第一时间资产管理处(招标采购办公室)联系待情况确认后依据学校有关规定执行,严禁擅自放行。

三、做好单据留存

《出门证》门卫联由门卫值班人员妥善留存,作为放行依据和后续备查凭证定期移交保卫处指定科室统一归档。存根联由资产处归档备查

四、明确管理责任

1.全体门卫值班人员是落实本项管理要求的第一责任人提高责任意识,熟练掌握查验流程和要求,认真履职。

2.对于试图伪造凭、强行闯卡或采取其他方式违规运出固定资产的行为,保卫处应采取有效措施制止,并依法依规处理。

做好报废资产出校管理是守护学校国有资产安全的重要防线。请相关责任单位责任人高度重视,严格把关,共同筑牢校园国有资产安全防线

 

附件:《辽宁大学持物出门证》

 

 

资产管理处(招标采购办公室)

                     2025.07.26

 

 

 

 

 

附件:

 

关闭窗口
中国·沈阳·辽宁大学 Copyright by 辽宁大学       辽 ICP备05001361号
地址:沈阳市皇姑区崇山中路66号 邮编:110036   联系电话:62202080